Cywir Angel 5PIN Cysylltydd Pogo Pin Gwryw a Benyw
Mae gwniadur y gwanwyn yn chwiliedydd math gwanwyn a ffurfiwyd gan y tair rhan hanfodol o'r nodwydd, y tiwb nodwydd, a'r gwanwyn ar ôl cael ei rhybedu gan offeryn manwl. Fe'i gelwir hefyd yn pin pogo, colofn electrod gwanwyn pogopin, Spring Loaded, neu pogopin. Mae gwaelod nodwydd gwniadur y gwanwyn fel arfer yn strwythur bevel.

Swyddogaeth y strwythur bevel yw sicrhau bod y pogopin yn cadw'r llaw mewn cysylltiad â wal fewnol y tiwb nodwydd pan fydd yn gweithio fel bod y presennol yn bennaf yn mynd trwy'r nodwydd aur-plated a'r tiwb nodwydd i sicrhau sefydlogrwydd ac isel rhwystriant y pogopin.

Yn gyffredinol, defnyddir gwniaduron gwanwyn mewn cysylltiadau manwl gywir mewn cynhyrchion electronig megis ffonau symudol, cyfathrebu, automobiles, meddygol, awyrofod, ac ati; gan fod gwniadur y gwanwyn yn chwiliedydd ardderchog, gellir gwneud y cyfaint yn fach iawn, felly gall leihau'r gost cysylltu pan gaiff ei ddefnyddio mewn cysylltwyr manwl gywir. Lleihau pwysau'r ddyfais, arbed lle, a harddu ymddangosiad y cynnyrch (fel ffonau symudol tra-denau, gwylio smart, sigaréts electronig, ac ati).

Chwe arddull a nodwedd pogopin cyffredin:
Pogopin gwaelod gwastad: sefydlogrwydd da, mae gwaelod y tiwb nodwydd â gwaelod gwastad, yn hawdd ei sodro gyda'r bwrdd PCB
Pogopin plug-in: Mae pin lleoli ar ddiwedd y tiwb nodwydd, a phan gaiff ei sodro i'r bwrdd PCB, ni fydd unrhyw wyriad ac mae'r effaith lleoli yn dda;
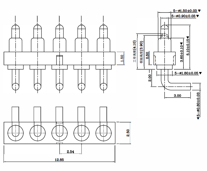
Plygu pogopin: mae'r gynffon wedi'i phlygu, gan roi mwy o ddewisiadau i ddylunwyr o ran defnyddio gofod;
Pogopin pen dwbl: Mae dyluniad pen dwbl a cham gweithredu dwbl yn caniatáu i beirianwyr gael mwy o hyblygrwydd gofod yn y cysylltiad dwy ffordd bwrdd-i-bwrdd
Pogopin gwifren sodro: addas ar gyfer diwedd Cable, hawdd ei sodro â gwifren
Pogopin edafedd: gall cynhyrchion â manylebau arbennig ddiwallu gwahanol anghenion cwsmeriaid.

